Case 570LXT Series 2 Loader Landscaper Service Repair Manual
$42.00
Manual Included:
โข Service Repair Manual: 1013 pages
Specifications:
โข Brand: Case
โข Model: 570LXT Series 2
โข Serial: Tier 2 Engine Begins With P.I.N. JJG0225756 & After
โข Type: Loader & Landscaper
โข Manuals: Service Repair Manual
โข Publication Numbers: 7-10411
โข Language: English
โข Format: PDF
- Description
- Reviews (0)
Description
Table of Contents 570LXTย Series 2 Manual:
General
Standard Torque Specifications
Fluids and Lubricants
Loctite Product Chart
Engines
Engine and Radiator Removal and Installation
Stall Tests
For Engine Repair, See the Engine Service Manual (Sold Seperately)
Fuel System
For Fuel System, See the Engine Service Manual
Electrical
Removal and Installation of Electrical Components
Electrical Specifications and Troubleshooting
Batteries
Starter Motor – Denso
Instrument Cluster
Alternator
Steering
Removal and Installation of Steering Components
570LXT Series 2, Steering Specifications, Pressure Checks and Troubleshooting
Steering Control Valve
Steering Cylinders
Front Axle – Two Wheel Drive
Front Axle – Four Wheel Drive
Power Train
Removal and Installation of Power Train Components
Standard Transmission Specifications, Pressure Checks and Troubleshooting
Wheels and Tires
Rear Axle and Planetaries
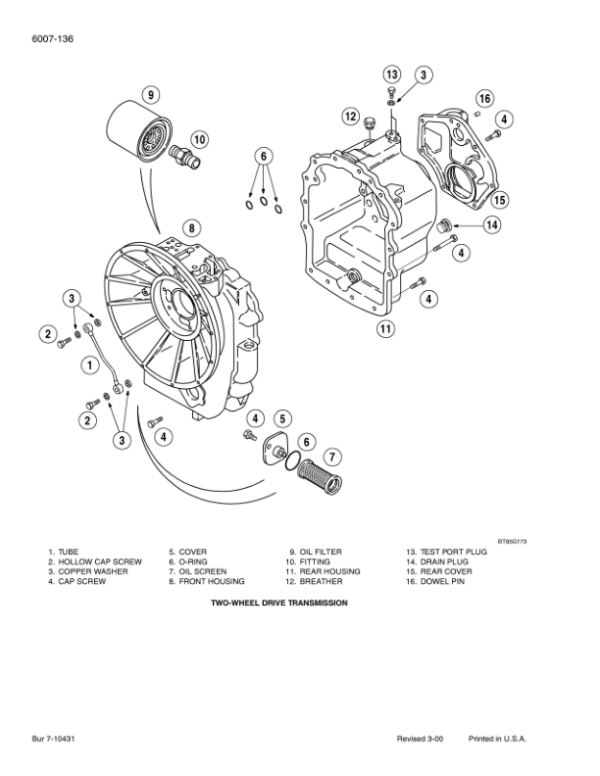
Standard (Carraro) Transmission
Brakes
Removal and Installation of Brake Components
Master Cylinder
Hydraulics
Removal and Installation of Hydraulic Components
Hydraulic Specifications, Troubleshooting, and Pressure Checks
Cleaning the Hydraulic System
Hydraulic Pump
Loader Control Valve
Cylinders
Three Point Hitch Control Valve
Auxiliary Control Valve
Accumulator for Optional Ride Control
Solenoid Valve for Optional Ride Control
Mounted Equipment
Be the first to review “Case 570LXT Series 2 Loader Landscaper Service Repair Manual”
You must be logged in to post a review.



















Reviews
There are no reviews yet.