John Deere 676 Rotary Harvesting Unit Repair Technical Manual (TM4528)
$25.00
Manual Included:
- Repair Technical Manual: 100 Pages
Specifications:
- Brand: John Deere
- Model: Â Rotary Harvesting Unit
- Type: Attachments
- Manuals: Repair Technical Manual
- Publication Numbers: TM4528
- Language:Â English
- Format:Â PDF
- Description
- Additional information
- Reviews (0)
Description
Table of Content (Technical Manual – TM4528)
SECTION 10—General Information
Group 05—Safety Information
Group 10—Specifications
SECTION 100—676 Rotary Harvesting Unit
Group 05—Frame
Group 10—Drive System
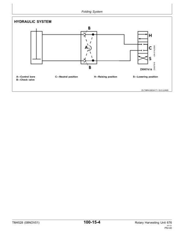
Group 15—Folding System
Group 20—Spur-Gear Angle Drive
Group 25—Cutting Rotors (Toothed Blades)
Group 30—Electric Brake
Group 35—Rotating Auger for Down Corn
Group 40—Troubleshooting
Index
Additional information
| Serial | SN 010001-100000, SN 100001 – Current |
|---|
Be the first to review “John Deere 676 Rotary Harvesting Unit Repair Technical Manual (TM4528)”
You must be logged in to post a review.















Reviews
There are no reviews yet.